Ked som ho spustil rozbehol sa vetrák a to bolo všetko
nepustilo palivové čerpadlo len vetrák chvílu bežal
Ovládam ho oválnymi hodinami Webasto 1533.
Tak som ho napojil na
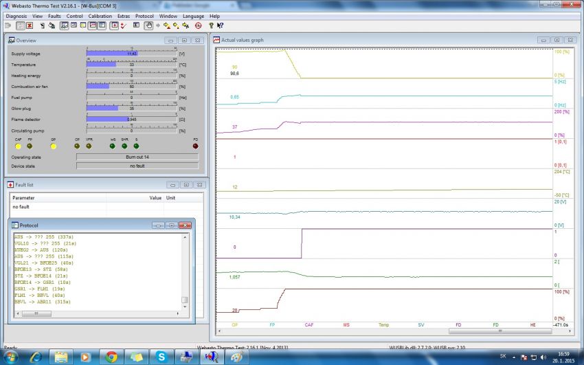
WTT 2_16 spustil kúrenie vo WTT 2_16 a bežalo úplne tak ako má .Bez poruchy

No ked som ho hned na to pustil cez hodiny1533
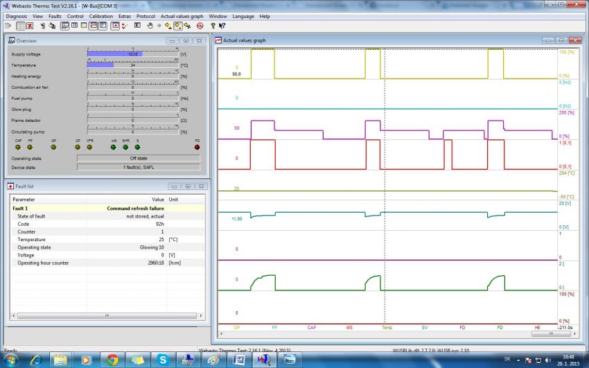
tak nabehne ventilátor za chvíľku rýchlo začne cvakať palivové čerpadlo ale len chvíľku a prestane cvakať.
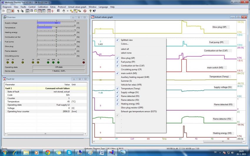
a vyhodí chybu
"command refresh failure in
case of this fault no operation "
Ventilátor ešte chvílku beží a všetko sa vypne priebeh je vidieť na diagnostike ale hodiny stále svietia na oranžovo a čas kúrenia normálne odpočítava keď pustím webwsto cez diagnostiku WTT 2_16 tak kúrenie beží bez problémov vyresetujem chybu a spustím cez hodiny tak zas len ventilátor bez paliv. čer. a cez WTT 2_16 beží ako má nemôžu byt zlé tie hodiny w1533 poradte Dakujem