
Poptávám soustružení a frézování
Moderátoři: šulda, Moderátoři
Levičák seš ty když uznáváš mluvu prezidenta ČR. 
Budu tě nazývat zlatokopem pokud ty kteří ti chtějí pomoct kopeš do prdele a navíc nejsi ochoten zaplatit práci navíc ani přidanou hodnotu. Ty kapitalisto. Už vidím tu tvou firmu ve které když bude nějaký zaměstnanec dýl jak týden marod dostane vyhazov...
			
			
									
									
						Budu tě nazývat zlatokopem pokud ty kteří ti chtějí pomoct kopeš do prdele a navíc nejsi ochoten zaplatit práci navíc ani přidanou hodnotu. Ty kapitalisto. Už vidím tu tvou firmu ve které když bude nějaký zaměstnanec dýl jak týden marod dostane vyhazov...

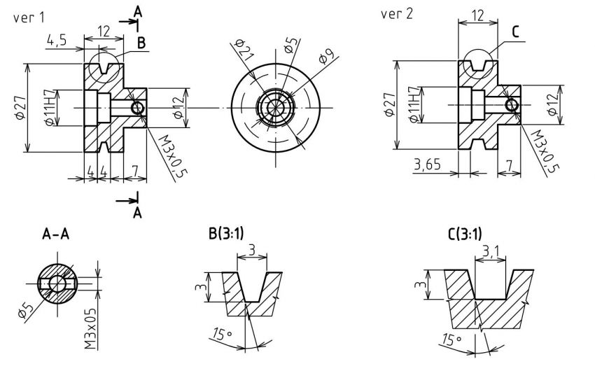
Mozem sa ta spytať,čo všetko si tam musiš dopočitať a domyšlať si?HNLW453 píše:si trošku odporuješ sA6TDI píše:vy tady rukujete s blbostma ktrerý kdo ví co je soustruh neřeší . tolerance +- 1mm sem vám vysvětlil a nekotovanou stranu díky úhlu , také takže nevim o co vám jde ??.....ano je to ze železa 16 646 třídy legované oceli
Hlavní je aby sedělo ložisko s uloženim 11H7 a to je vše ne ???
a podle toho výkresu hodnotím že děda dělal co mohl. Pokud máš sprasenej výkres (i když není to ta hrozný, ale řada věcí se musí dopočítat a dodělat), tak spoustu kót si musí výrobce dopočítat a domyslet, čímž se ti zvedá cena.A6TDI píše:dědkovy sem to dal před 14dny a včera volá že je to hotový ,jdu tam a že chce 3 stovky ...já bych mu je dal ale takovou prasárnu sem ještě neviděl.....
Pak se tady jako výrobce dočtu že po objednávce mé dílo nezaplatíš a ani vstupní suroviny, takže pokud bych s tebou měl dělat byznys tak bys musel platit nemalé finanční prostředky předem, ty zlatokope
Maximalne tak tu M3-ku...
Alfa 156 2.4 JTD 100kw + Sarkan Chip+EGR Off+Katik na majzel - EX
Passat Variant 1.8T APU
						Passat Variant 1.8T APU





