Climatronic Opel Insignia

Moderátoři: šulda, Moderátoři

jozef9
Aktivista
Příspěvky: 1004
Registrován: 24 bře 2016, 10:51
Odpovědi: 1

Re: Climatronic Opel Insignia

Příspěvek od jozef9 »

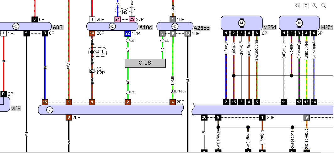
LIN je na B4
13.PNG
13.PNG (41.42 KiB) Zobrazeno 339319 x
15.PNG
15.PNG (39.83 KiB) Zobrazeno 339317 x
14.PNG
14.PNG (27.01 KiB) Zobrazeno 339317 x
passion
Přispěvovatel
Příspěvky: 977
Registrován: 03 úno 2006, 08:04
Odpovědi: 0

Re: Climatronic Opel Insignia

Příspěvek od passion »

Na B1 je stály plus, nie zo zapaľovania.
Zo zapaľovania by malo ísť napájanie z BCM na B9, respektíve RUN signál - asi že motor beží.
Opel Ignisia HVAC1.pdf
(47.49 KiB) Staženo 121 x
Opel Ignisia HVAC2.pdf
(29.89 KiB) Staženo 110 x
Opel Ignisia HVAC3.pdf
(34.25 KiB) Staženo 114 x
Opel Ignisia HVAC4.pdf
(45.43 KiB) Staženo 121 x
gulik
Přispěvovatel
Příspěvky: 329
Registrován: 03 čer 2016, 09:53
Odpovědi: 0

Re: Climatronic Opel Insignia

Příspěvek od gulik »

Dik chlapi takže staly plus sedí aj kostra chyba mi plus od zapalovania počítam že bcm k.o alebo vedenie
Uživatelský avatar
hansdob
Aktivista
Příspěvky: 9299
Registrován: 17 zář 2009, 18:21
Odpovědi: 1
Bydliště: Vysočina-Dobronín

Re: Climatronic Opel Insignia

Příspěvek od hansdob »

Když jsem před nějakým časem kvuli nečemu hledal něco na google tak na uk strankach nejakyho vauxhall foru byli nejaky opravy BMC u insi
přesnou historii nepamatuji.....třebaaaa zetor 25K
gulik
Přispěvovatel
Příspěvky: 329
Registrován: 03 čer 2016, 09:53
Odpovědi: 0

Re: Climatronic Opel Insignia

Příspěvek od gulik »

Steker ma štyri pini B6 stály plus červeno zelený B10 čierny kostra B9 zeleno žltý tam ide po naštartovaní 9v B3 zelený je asi lin stále to nejde ani rozsvietiť rozmyslam či to cvičné neprepojim či sa nerozvieti
gulik
Přispěvovatel
Příspěvky: 329
Registrován: 03 čer 2016, 09:53
Odpovědi: 0

Re: Climatronic Opel Insignia

Příspěvek od gulik »

Ani za pi...to nezapnem už sa všetko pomenilo stále hlási chybu u1510 porucha funkcie panel ovládania druhý jednotka hvac druha vedenie som skontroloval napájanie panelu ok. Akurát ma napadlo či niekto neprehodil káble v stekru nap.panelu lebo jednotka "nevidí ten panel ovládania kúrenia dochádza mi fantázia čo stim je
gulik
Přispěvovatel
Příspěvky: 329
Registrován: 03 čer 2016, 09:53
Odpovědi: 0

Re: Climatronic Opel Insignia

Příspěvek od gulik »

Vieriesene pôvodný panel odišiel ale niekto predomnou prehodil piny medzi sebou takže nebol napájaný už to ide ako má dik všetkým
Odpovědět

Zpět na „Opel“